Schrauben für ineinandergreifende Paneele - Réf. 11216500175
- Referenz11216500175
- HerstellungDeutsch
- MarkeSWG
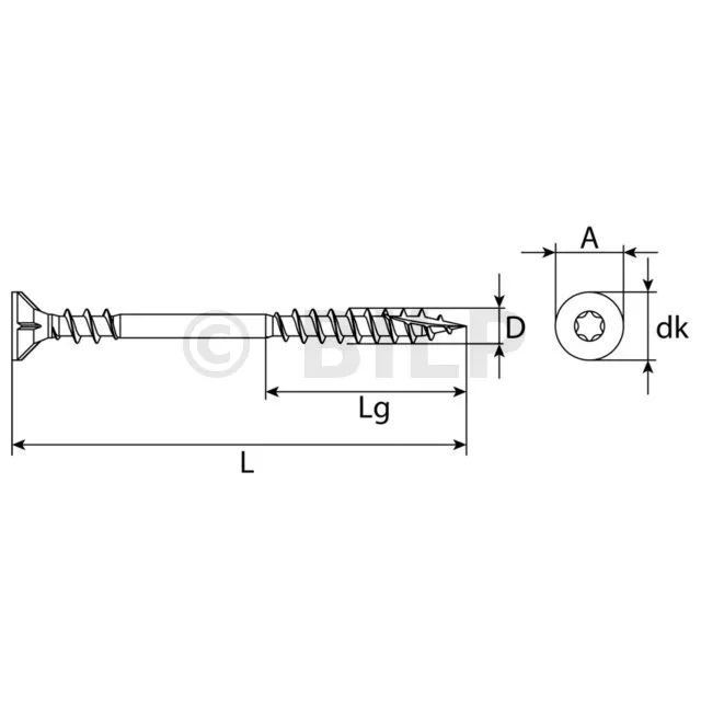
- Durchmesser des Kopfs8mm
- Gewindelänge18mm
- Art des KopfesTête fraisée autofraisante
- AntriebsgrößeTX20
- MaterialVerzinkter Stahl, blau
- FinishPlaqué zinc
- KopfformTX20
- Hauteur tête max3mm
- Angle de torsion25
OSB-Boden-/Plattenschrauben
Es wird empfohlen, die Schrauben alle 15 cm am Umfang und alle 30 cm an den Zwischenteilen anzubringen.
Merkmale
- Verzinkter Stahl, blau
- Senkkopf mit Fräskerben und TX20-Aussparung
- Schraubenspitze mit Splitterschutz
Berufsfelder
Die OSB-Bodenschraube wird häufig zur Befestigung von Installationsplatten im Neubau, bei der Renovierung und Sanierung verwendet. Die Schraube eignet sich besonders für die Montage von OSB-Platten
Montageanleitung
Für optimale Ergebnisse legen Sie Filz zwischen die Balken und die Bretter.
|Produktmerkmal|Vorteil|Nützlichkeit|
|
Senkkopf mit Senkkerben|Bündiges Versenken des Schraubenkopfes, Einfaches und sauberes Versenken des Schraubenkopfes, Die nutzbare Länge entspricht der Gesamtlänge der Schraube|Perfekte Optik, Benötigt weniger Kraft und Energie|
|
Achten Sie darauf, dass die obere Ecke des Z auf der Seite des Scharniers liegt, um zusätzliche Unterstützung zu erhalten. Verwenden Sie Nägel oder Schrauben zur Befestigung. Achten Sie darauf, dass die Länge der Schrauben oder Nägel kürzer als die Dicke der zu befestigenden Baugruppe ist, damit sie nicht durchgehen kann.
TX-Footprint|Gute Kraftübertragung durch die sechs Kraftangriffsflächen (Linienkontakt), Kein Abstoßungseffekt (die zylindrische Form des Ankers, kein „Cam-out“-Effekt“), Kann sein Maschinell umsetzbar, Gute Drehmomentübertragung, Lange Standzeit der Spitze, Breites Einsatzspektrum
|
Gewinde unter dem Kopf|Optimaler Halt von OSB-Platten, Das Gewinde unter dem Kopf hält die Platte an Ort und Stelle|Minimiert stark Knarr- und Quietschgeräusche vom Boden oder den Platten, Hält die Montageplatte an Ort und Stelle dauerhaft und effektiv|
|
Schneidkante|Geringere Spaltkraft durch Bohrwirkung, Schneidet Holzfasern|Reduziert die Spaltneigung von Holz, Hält OSB-Platten lange und effektiv an Ort und Stelle|
|
Gleitmittelbeschichtung|Einfaches Schrauben, geringerer Widerstand beim Schrauben|Benötigt weniger Energie und Kraft|
SWG
Ihr Befestigungsspezialist
Seit ihrer Gründung im Jahre 1967 hat sich die SWG Schraubenwerk Gaisbach GmbH zu einem führenden Anbieter von hochwertigen Verbindungsprodukten und Verbindungstechnik auf dem internationalen, vor allem europäischen Markt entwickelt. Mit mehr als 5.000 Kunden in ganz Europa stellt sich die SWG Schraubenwerk Gaisbach GmbH der Herausforderung, die Bedürfnisse und Erwartungen ihrer Kunden zu erfüllen, indem sie Qualitätsprodukte und Unterstützung auf lokaler Ebene durch ihre Tochtergesellschaften SWG France SARL und SWG Schraubenwerk Gaisbach Espana SLU sowie durch ihre Außendienstmitarbeiter in anderen Ländern garantiert. Sie macht die Kundenzufriedenheit zur obersten Priorität.







