Seismische Ankerbolzen - Réf. 75350B1009000
- Referenz75350B1009000
- HerstellungFrançaise
- MaterialAcier trempé (classe 9.8),
 Bague d'expansion en inox A4 pour une adhérence maximale sur les parois du perçage.
- MarkeSIMPSON Strong-Tie
- Flach Schlüsselweite (SW)17mm
- Catégorie de performance sismiqueC1/C2
- Epaisseur maximale pièce à fixer [tfix,max] avec profondeur d’ancrage standard [hef,STD]10mm
- Epaisseur maximale [tfix,max] pièce à fixer avec profondeur d’ancrage réduite [hef,RED]30mm
- Maximaler Lochdurchmesser des zu befestigenden Werkstücks12mm
- Diamètre perçage [do] x profondeur [h1] dans le support avec la profondeur d’ancrage standard [hef,STD]10 x 80mm
- Diamètre perçage [do] x profondeur [h1] dans le support avec la profondeur d’ancrage réduite [hef,RED]10 x 60mm
- Profondeur d’ancrage standard [hef,STD]60mm
- Profondeur d’ancrage réduite [hef, RED]40mm
- Couple de pose [Tinst]40Nm
- Distance au bord caractéristique [mm]90mm
- Epaisseur minimale du support [mm]120mm
- Entraxe entre les perçages180mm
- VerkleidungSpécial anti-corrosion 3DG finition brillante,
Seismischer Ankerbolzen - FM-753 CRACK 3DG
Der Ankerbolzen FM-753 CRACK 3DG ist ein Dehnungsbefestigungssystem für schwere Lasten auf gerissenem und ungerissenem Beton zur Übertragung seismischer Lasten (C1 und C2) im Innen- und Außenbereich.
Merkmale
Gegenstand
- Gehärteter Stahl (Klasse 9.8),
- Spezielle 3DG-Korrosionsschutzbeschichtung mit glänzender Oberfläche,
- Spreizring aus Edelstahl A4 für maximale Haftung an den Lochwänden.
Vorteile
Zeitersparnis:
- Sofortige Erweiterung,
- Montage durch das zu befestigende Element, Bohr-Ø = Dübel-Ø,
- Vormontierte Mutter und Unterlegscheibe.
Leistung:
- seismische und dynamische Belastungen,
- Seismische Leistungen C1 und C2,
- Neun Edelstahlzähne für eine bessere Haftung an den Lochwänden,
- Feuerwiderstand R120,
- Mindestrandabstände und Achsabstände.
Anwendung
Einsatzbereiche
- Strukturelle Befestigungen mit seismischen Bestimmungen,
- Fassaden,
- Leitplanke,
- ITE-Verkleidungshalterungen, Strukturschuhe,
- Statische oder quasistatische Belastungen.
Unterstützt
- Rissiger Beton,
- Ungerissener Beton,
- Seismische Umgebung entsprechend den Kategorien C1 und C2.
Abmessungen
| Referenzen | Produktreferenz | Abmessungen [ØxL] [mm] | Seismische Kategorie | Dicke. max [tfix,max] PCE zum Fixieren mit Prof. Standardanker [hef,STD] [mm] | Ep. max [tfix,max] PCE zum Fixieren mit Prof. reduzierte Verankerung [hef,RED] [mm] | maximaler Bohr-Ø Stück zur Befestigung [df] [mm] | Bohr-Ø [do] x Tiefe [h1] im Träger mit dem Tiefen-Standardanker [hef,STD] [mm] | Bohrer-Ø [do] x Tiefe [h1] im Träger mit reduzierter Ankertiefe [hef,RED] [mm] | Standard-Ankertiefe [hef,STD] [mm] | Reduzierte Ankertiefe [hef, RED] | 
|---|---|---|---|---|---|---|---|---|---|---|
| 75350B0807500 | FM-753 CRACK 3DG | M8x75 | C1 | 10 | 24 | 9 | 8x70 | 8x56 | 48 | 34 | 
| 75350B0809000 | FM-753 CRACK 3DG | M8x90 | C1 | 25 | 39 | 9 | 8x70 | 8x56 | 48 | 34 | 
| 75350B1009000 | FM-753 CRACK 3DG | M10x90 | C1/C2 | 10 | 30 | 12 | 10x80 | 10x60 | 60 | 40 | 
| 75350B1010500 | FM-753 CRACK 3DG | M10x105 | C1/C2 | 25 | 45 | 12 | 10x80 | 10x60 | 60 | 40 | 
| 75350B1011500 | FM-753 CRACK 3DG | M10x115 | C1/C2 | 35 | 55 | 12 | 10x80 | 10x60 | 60 | 40 | 
| 75350B1013500 | FM-753 CRACK 3DG | M10x135 | C1/C2 | 55 | 75 | 12 | 10x80 | 10x60 | 60 | 40 | 
| 75350B1015500 | FM-753 CRACK 3DG | M10x155 | C1/C2 | 75 | 95 | 12 | 10x80 | 10x60 | 60 | 40 | 
| 75350B1211000 | FM-753 CRACK 3DG | M12x110 | C1/C2 | 10 | 30 | 14 | 12x100 | 12x80 | 72 | 52 | 
| 75350B1212000 | FM-753 CRACK 3DG | M12x120 | C1/C2 | 20 | 40 | 14 | 12x100 | 12x80 | 72 | 52 | 
| 75350B1214500 | FM-753 CRACK 3DG | M12x145 | C1/C2 | 45 | 65 | 14 | 12x100 | 12x80 | 72 | 52 | 
| 75350B1220000 | FM-753 CRACK 3DG | M12x200 | C1/C2 | 100 | 120 | 14 | 12x100 | 12x80 | 72 | 52 | 
| 75350B1615000 | FM-753 CRACK 3DG | M16x150 | C1/C2 | 30 | 50 | 18 | 16x115 | 16x95 | 86 | 66 | 
| 75350B1622000 | FM-753 CRACK 3DG | M16x220 | C1/C2 | 100 | 120 | 18 | 16x115 | 16x95 | 86 | 66 | 
Berechnungswerte – 1 Anker – Kein Randabstand – Ungerissener Beton
| Referenzen | Produktreferenz | Abmessungen [ØxL] [mm] | Berechnungswerte - Ungerissener Beton (3) | ||||||||
|---|---|---|---|---|---|---|---|---|---|---|---|
| Spannung - NRd (1) | Scherkraft - VRd (1-2) | Biegemoment MRd [Nm] | |||||||||
| C20/25 [kN] | C30/37 [kN] | C40/50 [kN] | C50/60 [kN] | C20/25 [kN] | C30/37 [kN] | C40/50 [kN] | C50/60 [kN] | ||||
| 75350B0807500 | FM-753 CRACK 3DG | M8x75 | 6 | - | - | - | 8.6 | - | - | - | - | 
| 75350B0809000 | FM-753 CRACK 3DG | M8x90 | 6 | - | - | - | 8.6 | - | - | - | - | 
| 75350B1009000 | FM-753 CRACK 3DG | M10x90 | 10.7 | - | - | - | 16.1 | - | - | - | - | 
| 75350B1010500 | FM-753 CRACK 3DG | M10x105 | 10.7 | - | - | - | 16.1 | - | - | - | - | 
| 75350B1011500 | FM-753 CRACK 3DG | M10x115 | 10.7 | - | - | - | 16.1 | - | - | - | - | 
| 75350B1013500 | FM-753 CRACK 3DG | M10x135 | 10.7 | - | - | - | 16.1 | - | - | - | - | 
| 75350B1015500 | FM-753 CRACK 3DG | M10x155 | 10.7 | - | - | - | 16.1 | - | - | - | - | 
| 75350B1211000 | FM-753 CRACK 3DG | M12x110 | 13.3 | - | - | - | 22.5 | - | - | - | - | 
| 75350B1212000 | FM-753 CRACK 3DG | M12x120 | 13.3 | - | - | - | 22.5 | - | - | - | - | 
| 75350B1214500 | FM-753 CRACK 3DG | M12x145 | 13.3 | - | - | - | 22.5 | - | - | - | - | 
| 75350B1220000 | FM-753 CRACK 3DG | M12x200 | 13.3 | - | - | - | 22.5 | - | - | - | - | 
| 75350B1615000 | FM-753 CRACK 3DG | M16x150 | 23.3 | - | - | - | 44.3 | - | - | - | - | 
| 75350B1622000 | FM-753 CRACK 3DG | M16x220 | 23.3 | - | - | - | 44.3 | - | - | - | - | 
1. Die veröffentlichten Lasten werden aus den Teilsicherheitsbeiwerten der ETAs berechnet. Diese Lasten werden für unbewehrten Beton und normalen Stahlbeton berechnet, deren Stababstände s ≥ 15 cm (alle Durchmesser) bzw. s ≥ 10 cm haben, wenn ihr Durchmesser kleiner oder gleich 10 mm ist.
2. Querlasten werden für die alleinige Verankerung ohne Berücksichtigung des Abstands vom Plattenrand angegeben. Bei randnahen Ankern (c ≤ max [10 hef; 60d]) muss der Bruch am Plattenrand gemäß ETAG001, Anhang C, Methode A überprüft werden.
3. Der Beton gilt als nicht gerissen, wenn die Spannung im Inneren des Betons gleich σL + σR ≤ 0 ist. In Ermangelung einer detaillierten Überprüfung gehen wir von σR = 3 N/mm2 aus (σL entspricht der Spannung im Inneren des Betons). Beton, der durch äußere Lasten, einschließlich Ankerlasten, entsteht).
* Nicht durch ETE abgedeckt
Berechnungswerte – 1 Anker – Kein Randabstand – Gerissener Beton
| Referenzen | Produktreferenz | Abmessungen [ØxL] [mm] | Berechnungswerte - 1 Anker - keine Randabstände. | ||||||||
|---|---|---|---|---|---|---|---|---|---|---|---|
| Berechnungswerte - Gerissener Beton (3) | Biegemoment MRd [Nm] | ||||||||||
| Spannung - NRd (1) | Scherkraft - VRd (1-2) | ||||||||||
| C20/25 [kN] | C30/37 [kN] | C40/50 [kN] | C50/60 [kN] | C20/25 [kN] | C30/37 [kN] | C40/50 [kN] | C50/60 [kN] | ||||
| 75350B0807500 | FM-753 CRACK 3DG | M8x75 | 4 | - | - | - | 7.63 | - | - | - | - | 
| 75350B0809000 | FM-753 CRACK 3DG | M8x90 | 4 | - | - | - | 7.63 | - | - | - | - | 
| 75350B1009000 | FM-753 CRACK 3DG | M10x90 | 8 | - | - | - | 16.1 | - | - | - | - | 
| 75350B1010500 | FM-753 CRACK 3DG | M10x105 | 8 | - | - | - | 16.1 | - | - | - | - | 
| 75350B1011500 | FM-753 CRACK 3DG | M10x115 | 8 | - | - | - | 16.1 | - | - | - | - | 
| 75350B1013500 | FM-753 CRACK 3DG | M10x135 | 8 | - | - | - | 16.1 | - | - | - | - | 
| 75350B1015500 | FM-753 CRACK 3DG | M10x155 | 8 | - | - | - | 16.1 | - | - | - | - | 
| 75350B1211000 | FM-753 CRACK 3DG | M12x110 | 10.7 | - | - | - | 22.5 | - | - | - | - | 
| 75350B1212000 | FM-753 CRACK 3DG | M12x120 | 10.7 | - | - | - | 22.5 | - | - | - | - | 
| 75350B1214500 | FM-753 CRACK 3DG | M12x145 | 10.7 | - | - | - | 22.5 | - | - | - | - | 
| 75350B1220000 | FM-753 CRACK 3DG | M12x200 | 10.7 | - | - | - | 22.5 | - | - | - | - | 
| 75350B1615000 | FM-753 CRACK 3DG | M16x150 | 13.3 | - | - | - | 36 | - | - | - | - | 
| 75350B1622000 | FM-753 CRACK 3DG | M16x220 | 13.3 | - | - | - | 36 | - | - | - | - | 
1. Die veröffentlichten Lasten werden aus den Teilsicherheitsbeiwerten der ETAs berechnet. Diese Lasten werden für unbewehrten Beton und normalen Stahlbeton berechnet, deren Stababstände s ≥ 15 cm (alle Durchmesser) bzw. s ≥ 10 cm haben, wenn ihr Durchmesser kleiner oder gleich 10 mm ist.
2. Querlasten werden für die alleinige Verankerung ohne Berücksichtigung des Abstands vom Plattenrand angegeben. Bei randnahen Ankern (c ≤ max [10 hef; 60d]) muss der Bruch am Plattenrand gemäß ETAG001, Anhang C, Methode A überprüft werden.
3. Der Beton gilt als nicht gerissen, wenn die Spannung im Inneren des Betons gleich σL + σR ≤ 0 ist. In Ermangelung einer detaillierten Überprüfung gehen wir von σR = 3 N/mm2 aus (σL entspricht der Spannung im Inneren des Betons). Beton, der durch äußere Lasten, einschließlich Ankerlasten, entsteht).
* Nicht durch ETE abgedeckt
Mittelpunkte und Randabstände
| Referenzen | Produktreferenz | Abmessungen [ØxL] [mm] | Minimaler Randabstand [cmin] [mm] | Minimaler Achsabstand [smin] [ mm ] | Charakteristischer Randabstand [ccr,N] [mm] | Charakteristischer Mittenabstand [scr,N] [mm] | 
|---|---|---|---|---|---|---|
| 75350B0807500 | FM-753 CRACK 3DG | M8x75 | 50 | 50 | 72 | 144 | 
| 75350B0809000 | FM-753 CRACK 3DG | M8x90 | 50 | 50 | 72 | 144 | 
| 75350B1009000 | FM-753 CRACK 3DG | M10x90 | 60 | 60 | 90 | 180 | 
| 75350B1010500 | FM-753 CRACK 3DG | M10x105 | 60 | 60 | 90 | 180 | 
| 75350B1011500 | FM-753 CRACK 3DG | M10x115 | 60 | 60 | 90 | 180 | 
| 75350B1013500 | FM-753 CRACK 3DG | M10x135 | 60 | 60 | 90 | 180 | 
| 75350B1015500 | FM-753 CRACK 3DG | M10x155 | 60 | 60 | 90 | 180 | 
| 75350B1211000 | FM-753 CRACK 3DG | M12x110 | 70 | 70 | 110 | 220 | 
| 75350B1212000 | FM-753 CRACK 3DG | M12x120 | 70 | 70 | 110 | 220 | 
| 75350B1214500 | FM-753 CRACK 3DG | M12x145 | 70 | 70 | 110 | 220 | 
| 75350B1220000 | FM-753 CRACK 3DG | M12x200 | 70 | 70 | 110 | 220 | 
| 75350B1615000 | FM-753 CRACK 3DG | M16x150 | 85 | 80 | 120 | 258 | 
| 75350B1622000 | FM-753 CRACK 3DG | M16x220 | 85 | 80 | 120 | 258 | 
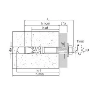
Montagedaten
| Referenzen | Produktreferenz | Abmessungen [ØxL] [mm] | Bohr-Ø [d0] [mm] | Prof. min. Bohrtiefe [h1] [mm] | Ø Bohrung im zu befestigenden Teil (durchgehend) [df] [mm] | Schlüsselweite an der Fläche [SW] [mm] | Anziehen Drehmoment [Tinst] [Nm] | Prof. Verankerung [hef] [mm] | Ep. Mindestauflage [hmin] [mm] | 
|---|---|---|---|---|---|---|---|---|---|
| 75350B0807500 | FM-753 CRACK 3DG | M8x75 | 8 | 70 | 9 | 13 | 20 | 48 | 100 | 
| 75350B0809000 | FM-753 CRACK 3DG | M8x90 | 8 | 70 | 9 | 13 | 20 | 48 | 100 | 
| 75350B1009000 | FM-753 CRACK 3DG | M10x90 | 10 | 80 | 12 | 17 | 40 | 60 | 120 | 
| 75350B1010500 | FM-753 CRACK 3DG | M10x105 | 10 | 80 | 12 | 17 | 40 | 60 | 120 | 
| 75350B1011500 | FM-753 CRACK 3DG | M10x115 | 10 | 80 | 12 | 17 | 40 | 60 | 120 | 
| 75350B1013500 | FM-753 CRACK 3DG | M10x135 | 10 | 80 | 12 | 17 | 40 | 60 | 120 | 
| 75350B1015500 | FM-753 CRACK 3DG | M10x155 | 10 | 80 | 12 | 17 | 40 | 60 | 120 | 
| 75350B1211000 | FM-753 CRACK 3DG | M12x110 | 12 | 100 | 14 | 19 | 60 | 72 | 150 | 
| 75350B1212000 | FM-753 CRACK 3DG | M12x120 | 12 | 100 | 14 | 19 | 60 | 72 | 150 | 
| 75350B1214500 | FM-753 CRACK 3DG | M12x145 | 12 | 100 | 14 | 19 | 60 | 72 | 150 | 
| 75350B1220000 | FM-753 CRACK 3DG | M12x200 | 12 | 100 | 14 | 19 | 60 | 72 | 150 | 
| 75350B1615000 | FM-753 CRACK 3DG | M16x150 | 16 | 115 | 18 | 24 | 86 | 86 | 170 | 
| 75350B1622000 | FM-753 CRACK 3DG | M16x220 | 16 | 115 | 18 | 24 | 86 | 86 | 170 | 
SIMPSON Strong-Tie
Beispiellose Zuverlässigkeit und Service
Seit seiner Gründung in Europa im Jahr 1994 hat sich Simpson Strong-Tie dank seines anerkannten Know-hows und seiner geprüften Produktqualität zu einem zuverlässigen Wert im Bereich der Verbindungstechnik entwickelt. Dank jahrelanger Erfahrung sind Sicherheit, Zuverlässigkeit und die Einhaltung von Vorschriften eine ständige Verpflichtung.
















